- Гідравлічне обладнання
- Гідравлічні клапани
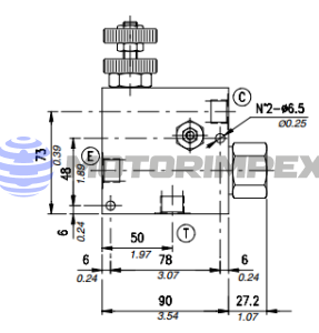
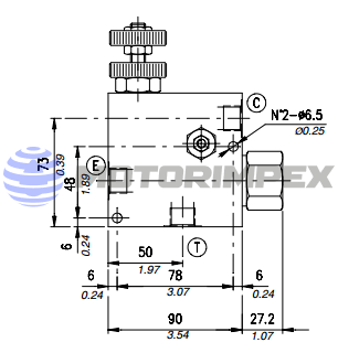
- Регулятори витрати VPR/3/ET із запобіжним клапаном VMP
3-лінійні
G3/8–G1 1/4
максимальний тиск: 350 бар
максимальна витрата: 350 л/хв
сила тяги: 6,8 т
потік масла: 60 л/хв
тиск: 155 бар
трос: 25 м x Ø 12 мм
сила тяги: 4,5 т
робочий об'єм двигуна: 50 см3/об
потік масла: 5 - 45 л/хв
трос: 25 м x Ø 10 мм
максимальний крутний момент: 2500 Н∙м
максимальна швидкість: 900 об/хв
максимальна потужність: 22 кВт
максимальний робочий об'єм: 398 см3/об
максимальний тиск: 450 бар
максимальний крутний момент: 4770 Н∙м
максимальна швидкість: 700 об/хв
максимальна потужність: 50 кВт
максимальний робочий об'єм: 750 см3/об
максимальний тиск: 450 бар
максимальний тиск: 290 бар
максимальний робочий об'єм: 122,72 см3/об
максимальний тиск: 400 бар
максимальний робочий об'єм секції: 75,1 см3/об
ДУ 6, 10
максимальний тиск: 315 бар
максимальна витрата: 180 л/хв
об'єм: 0,075–4 л
максимальний тиск: 350 бар
G3/8
максимальний тиск: 350 бар
G1/8, М5х0,8, G1/4, G3/8, G1/2
схема: 5/2, 5/3
макс. кількість циклів за секунду: 5
час спрацювання: 0,05 сек
-
Які способи оплати ви пропонуєте?
Ми пропонуємо Безготівковий розрахунок: для юридичних осіб і фізичних осіб-підприємців. Після оформлення замовлення ви отримаєте рахунок-фактуру, який можна оплатити у банку або через ваш банківський рахунок.
-
Чи можу я забрати замовлення самостійно?
Так, Ви можете забрати своє замовлення самостійно зі складу за попередньою домовленістю. Для уточнення деталей самовивозу, будь ласка, зв'яжіться з нашими інженерами.
-
Як швидко я отримаю своє замовлення?
Доставка по Україні зазвичай займає від 1 до 3 робочих днів залежно від вашого місцезнаходження. Замовлення, оформлені до 15:00, відправляються у той самий день. Умови міжнародної доставки обговорюються індивідуально.
-
Чи можу я повернути або обміняти товар?
Так, Ви можете повернути або обміняти товар належної якості протягом 14 днів з моменту отримання, якщо:
- Товар не був у використанні і не має слідів експлуатації.
- Збережена оригінальна упаковка і всі комплектуючі.
- Збережені маркування та шильдики товару.
-
Який термін гарантії на товари?
Гарантія на всі представлені товари становить 12 місяців.